Original (old) striker baking plate fixing. Likely not an original. Holes did not line up with new striker.
Old assembly.
Original machine screw.
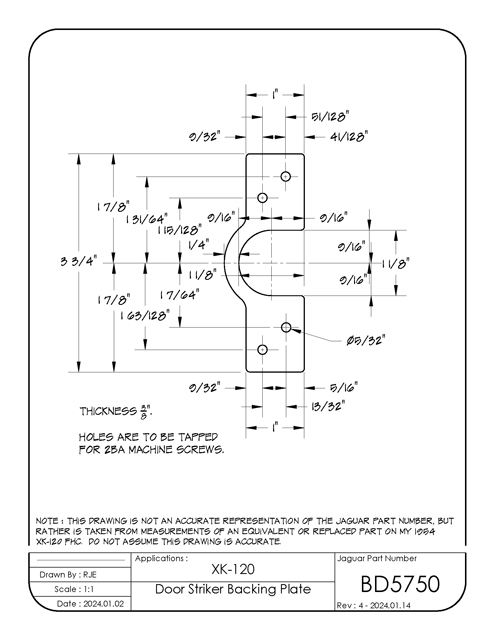
Rough dimensions of striker backing plate.
Striker backing plate photo from Coventry Auto Components website.
Drawing for new striker backing plate.
Striker backing plate and striker plate shim.
Drawing for new striker plate shims.
New shims fabricated from 3/8″ steel.
New backing plate and new stainless steel door shim.
The two striker plates get painted.
The paint booth.
New assembly. Only one of the original machine screws could be found (thank you body shops). Longer screws are new, sourced from one the the usual vendors.
The three new screws are stainless and obviously have a different finish. I wanted to keep the one original.
Door striker.
Door opening latch. Chrome has long since work off. Notice bespoke pin at latch shaft.